Niobium is the lightest refractory metal (density of 8.57 g/cm3), niobium and niobium alloys have high melting point, high high high temperature strength and specific strength, good room temperature machinability, weldability and corrosion resistance, and non-radioactive, which are preferred thermal protection materials and structural materials for aviation and space engines [1-3]. The traditional preparation process has the problems of relatively simple part shape and low material utilization [4]. Metal injection molding based on powder metallurgy technology can well solve these problems, providing a new method for the low-cost production of complex shapes of aerospace parts [5-7]. Powder injection molding requires good fluidity of raw materials and near-spherical shape, and ordinary niobium powder is difficult to meet this requirement [8-9].
Radiofrequency plasma is a good way to prepare spherical powders with uniform components, high sphericity and good flowability due to the advantages of high temperature (about 104°C), large plasma torch volume, high energy density, no electrode contamination, and fast heat transfer and cooling [10-11]. Especially in the refractory metal spherical treatment, the high temperature generated by the radio frequency plasma can provide enough energy to make the refractory metal powder in the plasma across the rapid heat absorption, melting, and under the action of surface tension condensed into a sphere, in a very short period of time, the sudden cold condensation to form a spherical powder, is to obtain the density of high, spherical degree of good purity of the spherical powder of an effective means of larger than the other process has a greater technological advantage. Advantage. Domestic and foreign scholars have successfully prepared spherical W, Mo, Ta and other refractory metal powders by using RF plasma technology [12-14], while the preparation of spherical niobium powders by using RF plasma has not been reported.
In this paper, microfine spherical Nb powders were prepared by RF plasma spheronization using microfine Nb powders with different particle sizes and irregular shapes as raw materials. The effect of spheronization treatment on the powder characteristics and the effect of charging rate on the spheronization rate are studied, in order to provide experimental basis for the preparation and application of spherical Nb powder.
1 Experiment
The raw materials used in the experiment are niobium powders of type FNb-2 with Fischer's particle sizes of 24.83, 31.02 and 59.74 μm provided by Beijing Xingrongyuan Company, and the purity of the product is more than 99.9%, and the shape of the powder is irregular. The Nb powder was spheroidized using a self-developed 100kW RF plasma micropowder treatment device, and the experimental setup is shown in Fig. 1. The experimental setup is shown in Fig. 1. It mainly includes RF induction plasma generating system (frequency 3.5MHz, power 100kW), three-layer water-cooled quartz plasma torch, stainless steel cooling chamber, vibrating spiral powder feeding system, power supply and gas supply system, product collection system and so on.

The experimental process is: first of all, argon as the center gas and side gas to establish a stable operation of the plasma torch, the output power of 75kW, the system negative pressure of 85kPa, the use of argon as a carrier gas will be Nb powder through the feeding system, by the powder gun axial feeding into the plasma torch. Powder in the plasma through the high-temperature region of rapid heat absorption, melting, and under the action of surface tension condensation into a sphere, in a very short period of time, the sudden cold condensation, the formation of spherical powder, collected by the powder collection system, the details of the process parameters are listed in Table 1.

LEO-1450 scanning electron microscope was used to observe the morphology and microstructure of the powder; D/MAXRB X-ray diffractometer was used to analyze the composition of the physical phase; LMS-30 laser particle size analyzer was used to characterize the particle size distribution; the bulk density, the vibrational density, and the fluidity of the powder were determined by using a Hall flowmeter in accordance with the national standard GB/1479-1984.
2 Results and analysis
2.1 Plasma spheroidization of niobium powders with different particle sizes
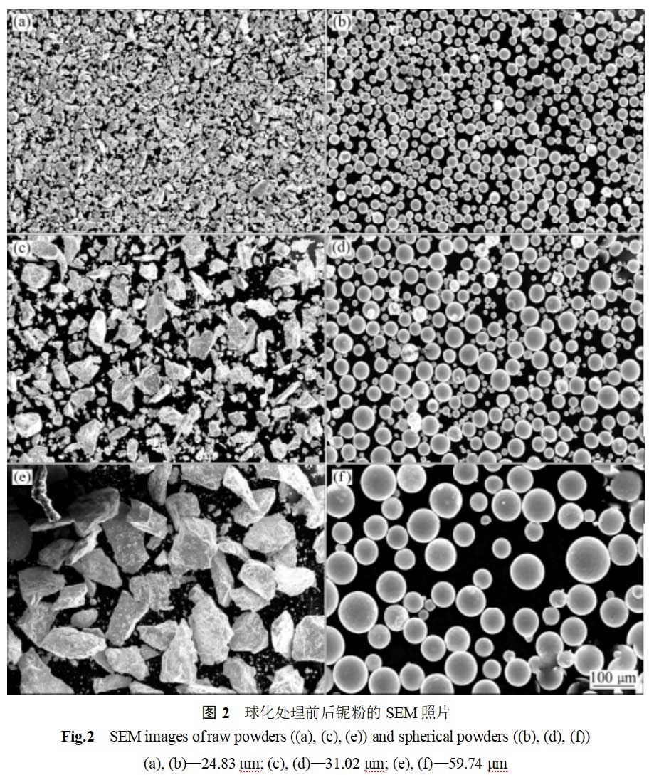
Figure 2 shows the SEM photos of irregular niobium powders with particle sizes of 24.83, 31.02 and 59.74 μm before and after spheronization at a feeding rate of 2 g/min. As can be seen from Fig. 2, the raw niobium powder was treated by plasma spheronization to obtain niobium powder with high sphericity and good dispersion (as shown in Figs. (b), (d), (f)). The powder agglomeration phenomenon disappeared, and the sphericalization rate can reach 100%.
Figure 3 shows the SEM photographs of the surface and cross section of the spherical niobium powder (24.83 μm). As can be seen from the figure, the surface of the spherical niobium powder is smooth, burr-free, and the internal structure is dense, and no obvious defects such as pores were found, indicating that the plasma can provide enough energy to melt the surface or the whole niobium powder particles to achieve densification. The powder aspect ratio is close to 1:1, with high sphericity.
The XRD patterns of niobium powder before and after plasma spheronization are shown in Fig. 4. As can be seen from Fig. 4, the positions of the diffraction peaks of niobium powder before and after spheronization did not change significantly, and the characteristic diffraction peaks are (110), (200), (211), (220) and (310), indicating that the niobium powder has a body-centered cubic structure. A single Nb phase was presented before and after spheronization, and no characteristic diffraction peaks of other impurity phases appeared. The single-phase niobium powder can be prepared after RF plasma spheronization using argon as the plasma working gas.
The laser particle size distributions of niobium powder before and after spheronization for three different particle sizes are shown in Figure 5. As shown in Fig. 5(a), the average particle size of raw niobium powder is 24.83 μm, and after plasma spheronization, the average particle size becomes 25.07 μm. It can be seen that the average particle size of niobium powder before and after spheronization is very small, but the particle size distribution curve becomes narrower, and the distribution of particle size is more concentrated. This is mainly due to the powder in the plasma through the high temperature zone, fine particles (<5μm) quickly melted into liquid droplets, and fast flight speed, under the action of surface tension, and collision with the surface of the surface of the melting of the coarse particles merged to form a spherical particles, too small particles were quickly vaporized, with the airflow into the dust bag device, so in the figure shows that the smallest particles of the original powder in the spheroidalization after the disappearance of the smallest particles. Figure 5(b), (c) shows the same change rule.





2.2 Influence of charging rate on powder spheroidization rate
In the RF plasma spheroidization process, the process parameters, especially the charging rate, have an important effect on the spheroidization of niobium powder. Under the same process parameters, the spheroidization effect of the powder is different for different charging rates. Figure 6 shows the SEM photographs of spherical niobium powders prepared from niobium powder with a particle size of 24.83 μm at different dosing rates. As can be seen from the figure, the sphericalization rate of niobium powder decreases with the increase of charging rate. This is because the increase in charging rate increases the amount of powder passing through the plasma per unit time, and the energy required for the completion of powder spheronization increases. The energy that the system can provide under the fixed process conditions is limited to a fixed value, which cannot meet the needs of heat absorption, melting and spheroidization of excess niobium powder, resulting in a decrease in the spheroidization rate of the powder. In addition, the increase in the unit time into the plasma torch powder, particles and the generator in the flow field of the interaction is more intense, resulting in particle trajectory disorder, part of the particles failed to pass through the high temperature zone is also caused by the reduction of the spheroidization rate. Figure 7 shows the SEM photographs of the non-spherical particles after niobium powder spheroidization treatment at a feeding rate of 15 g/min. From the figure, it can be clearly seen: particles 1 and 2 are typical of incomplete spheroidization caused by insufficient energy absorption, particle 3 has a rough surface and irregular shape, basically maintaining the morphology of the original powder, which is due to the chaotic flight path under the action of the flow field that makes it fail to pass through the high temperature region. At the same time, it can be observed that due to the lack of energy caused by the surrounding part of the spherical particles surface defects of different degrees.



Figure 8 shows the spheroidization rate curves of niobium powder at different charging rates. Figure 8 shows that when the feeding rate is 2g/min and 5g/min, the spheroidization rate of niobium powder can reach 100% and 97%, respectively, and when the feeding rate is increased to 10g/min, the spheroidization rate decreases to 85%, and further accelerating the feeding rate to 15g/min, the spheroidization rate decreases sharply to 65%. Therefore, the powder feeding rate of 2~5g/min can obtain a high rate of spheroidization.
2.3 Effect of spheronization on powder properties
The average particle size of 24.83μm niobium powder spheroidization before and after the bulk density, solid density and fluidity test, the results are shown in Table 2. from the table can be seen by radio frequency plasma spheroidization treatment, niobium powder bulk density from 1.33g/cm3 to 4.35g/cm3, solid density from 1.95g/cm3 to 5.61g/cm3, this is due to the spherical spherical powder particles after the balloon. This is due to the spherical spherical particles after spheronization, the contact surface is small, the gap between the particles is less, and the bridging phenomenon is obviously reduced, so that the bulk density and the vibration density are significantly improved. At the same time, the powder fluidity has been significantly improved, the raw material powder due to the fine particle size, the powder between the van der Waals force is strong, there is powder agglomeration phenomenon, the powder is not easy to flow; and the powder shape for the irregular block, the bridging phenomenon is serious, resulting in the deterioration of the fluidity of micro-fine niobium powder. After spheronization, the bridging phenomenon was removed and the flowability was improved to 12.51s/(50g). It can be seen that the powder characteristics of niobium powder were improved after RF plasma spheronization treatment, which is suitable for powder metallurgy processes such as injection molding and gel injection molding. In addition, as shown in Table 2, the collection rate of the powder after spheronization treatment was about 28.3%, and the low collection rate is a common problem encountered in the current plasma powder making technology. Mainly due to the particles in the plasma flow field by their own gravity, air drag force and the influence of the electromagnetic field, the trajectory is disordered, through the high temperature region of the plasma torch, part of the droplets stick to the wall inside the cooling chamber and condensation and deposition, and part of the small droplets vaporized with the exhaust into the dust removal device, resulting in a reduction in the total amount of powder.

3 Conclusion
1) Single-phase, spherical niobium powders were produced using a radio frequency plasma system. The prepared spherical niobium powder has smooth surface, good dispersion and high sphericity, and the spheroidization rate can reach 100% when the charging rate is 2g/min. The particle size distribution of the powder was narrowed after spheronization.
2) The charging rate has a large influence on the spheroidization rate of the powder. With the increase of charging rate, the spheroidization rate of niobium powder decreases gradually. Higher spheroidization rate can be obtained when the charging rate is 2~5g/min.
3) The bulk density, solidification density and powder flowability of niobium powder were significantly improved after spheronization. The bulk density increased from 1.33g/cm3 to 4.35g/cm3, and the vibration density increased from 1.95g/cm3 to 5.61g/cm3. The flowability was improved to 12.51s/(50g).
Reference:Chinese Figure Classification Number:TF123 Literature Identification Code:A Article Number:1673-0224(2014)3-361-06
Stardust Technology (Guangdong) Co., Ltd. focuses on the research, development and production of high-performance metal powder materials. Spherical niobium powders are prepared by RF plasma spheronization powder making technology with high purity (≥99.95%), low oxygen content and excellent sphericity (mobility ≤15s/50g), which are suitable for metal additive manufacturing processes such as electron beam melting (EBM). With niobium's high-temperature and corrosion-resistant properties, the material can be used in aerospace high-temperature components, superconducting materials and key components of semiconductor equipment. Relying on the scientific research team of Guangdong Institute of New Materials, the company realizes the customization of powder performance through particle size classification and surface modification technology, and has provided stable material solutions for a number of domestic research institutes and high-end manufacturing enterprises. If you have any demands for rare refractory metal powders, please contact our professional staff, Mr. Zheng +86 13318326187.
